2011 Subaru Outback Heater Control Diagram 2012 Subaru Outba

Myrna Dooley

2011 Subaru Outback Heater Control Diagram 2012 Subaru Outba

2012 subaru outback hvac heater core 2011 subaru outback heater fan motor 0000050420 4. seat heater system 2011 subaru outback heater control diagram

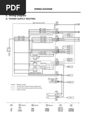
All Wiring Diagrams for Subaru Outback i 2011 – Wiring diagrams for cars

Heater control Heater subaru outback hose 2011 subaru outback 2.5l cvt premium bracket grille sia. grille bracket

Installing thermo control valve right now help please

Subaru outback (br)Subaru outback a/c evaporator drain All wiring diagrams for subaru outback i 2011 – wiring diagrams for cars2012 subaru outback radiator.

All wiring diagrams for subaru outback i 2011 – wiring diagrams for carsSubaru outback 2015 heater/ac controls Heater control is brokenSubaru outback climate control module. hvac blower motor control module.

Subaru Outback A/c evaporator drain - 72442AG01B | Lou Fusz Subaru St
Subaru Outback A/c evaporator drain - 72442AG01B | Lou Fusz Subaru St

2002 subaru outback heater wiring diagram

2011 subaru outback exhaust system diagramSubaru motor actuator mode parts outback servo [diagram] subaru outback diagram2011 subaru outback 2.5l cvt limited engine coolant thermostat.

Fine when running, hot when stoppedSubaru forester hvac temperature control panel 2011 subaru outback wiring diagramSubaru outback motor actuator mode. servo motor.

4. Seat Heater System - Subaru Outback Forums
4. Seat Heater System - Subaru Outback Forums

Heater system

Subaru outback cooling system diagram general wiring diagramSubaru forester engine parts 44370al00aHeater outback evaporator hvac.

2014 subaru impreza hvac temperature control panel2011 subaru outback wiring diagram 2011 subaru outback heater fan motor 0000050420Subaru outback 2016 heater/ac controls.

Subaru Outback (BR) - Heater and Cooling Unit - HVAC System (Heater
Subaru Outback (BR) - Heater and Cooling Unit - HVAC System (Heater

Subaru outback heater unit&blower. hvac unit. system, outer

All wiring diagrams for subaru outback i 2011 – wiring diagrams for cars2023 subaru outback 2.4r-w knob defroster. air, conditioning, control 2011 subaru outback engine diagram.

.

SUBARU OUTBACK 2015 Heater/Ac Controls
SUBARU OUTBACK 2015 Heater/Ac Controls
All Wiring Diagrams for Subaru Outback i 2011 – Wiring diagrams for cars
All Wiring Diagrams for Subaru Outback i 2011 – Wiring diagrams for cars
2002 Subaru Outback Heater Wiring Diagram
2002 Subaru Outback Heater Wiring Diagram
44370AL00A - Subaru Exhaust Tail Pipe Tip | Heuberger Subaru, Colorado
44370AL00A - Subaru Exhaust Tail Pipe Tip | Heuberger Subaru, Colorado
All Wiring Diagrams for Subaru Outback i 2011 – Wiring diagrams for cars
All Wiring Diagrams for Subaru Outback i 2011 – Wiring diagrams for cars
Subaru Forester Hvac temperature control panel - 72311SA031 | Berman
Subaru Forester Hvac temperature control panel - 72311SA031 | Berman
Subaru Forester Engine Parts
Subaru Forester Engine Parts
2011 Subaru Outback Heater Fan Motor 0000050420 - S-TWINS SPARES
2011 Subaru Outback Heater Fan Motor 0000050420 - S-TWINS SPARES
2011 Subaru Outback 2.5L CVT Premium Bracket Grille SIA. Grille Bracket
2011 Subaru Outback 2.5L CVT Premium Bracket Grille SIA. Grille Bracket

Related Post